

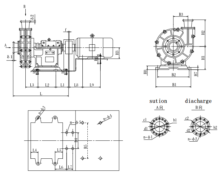
Kako bismo zadovoljili razvojne zahtjeve energetske, metalurške i industrije ugljena, s ciljem postizanja uvjeta kombiniranja za uklanjanje prašine i troske te isporuku mulja, naša tvrtka razvila je pumpe za mulj serije ZJ s velikim protokom i visokim tlakom, učeći iz naprednih domaćih i međunarodnih tehnologija i istraživačkih otkrića na temelju višedesetljetnog iskustva u projektiranju i proizvodnji pumpi za mulj.
PRETHODNA nijedan
SLJEDEĆA Pumpa za gnojnicu tipa ZL
Ova serija pumpi ima prednosti racionalne strukture, visoke učinkovitosti, pouzdanog rada, jednostavnog održavanja itd.
Pumpe se široko koriste u energetici, metalurgiji, rudarstvu, ugljenu, građevinskom materijalu i kemijskoj industriji.
Pumpe se koriste u industrijskim sektorima za isporuku abrazivne i korozivne suspenzije, posebno za vapneni pepeo iz elektrana.
Početna |O nama |Proizvodi |Industrije |Osnovna konkurentnost |Distributer |Kontaktirajte nas | Blog | Mapa | Politika privatnosti | Uvjeti
Autorska prava © ShuangBao Machinery Co., Ltd. Sva prava pridržana